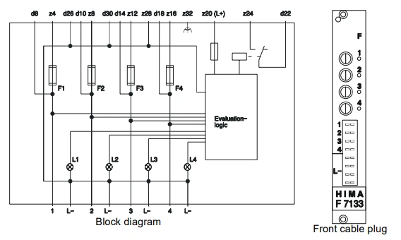
Technické špecifikácie
|
Značka |
Hima |
|
Model |
F7133 |
|
Pn číslo |
F 7133 |
|
Opis |
4- distribúcia napájania |
|
Pôvod |
Nemecko |
|
Rozmer |
21*15*7m |
|
Váha |
0. 25kg |

Podrobnosti o produkte
|
Napájacie napätie pre cestu
|
Poraziť | |
| v poriadku | chybné/chýbajúce | |
| existuje | Viazať | LED bliká |
| zlyhať | Vylúčiť | LED bliká |
Poznámka: - Ak modul nie je zapojený, všetky LED diódy sú vypnuté. - Ak sa vstupné napätie vynechá v prípade súčasných ciest, ktoré sú spojené dohromady, nie je možné uviesť stav rôznych poistkov.

Často
Otázka: Hima F7133 Čas prepínania
A: Prib. 100 ms (relé)
Otázka: Načítateľnosť kontaktov relé
A: 30 V/4 A (kontinuálne zaťaženie)
Otázka: Prevádzkové údaje
A: 24 V DC: 60 mA
Vitajte v dopyte!
Ms. Manažérka predaja┃china
Atten: Usmievanie sa
Mobile/whatsapp/wechat: +86 18050035902
E-mail:info@htechplc.com
Web:https://www.joyoungintl.com/
Adresa: Izba 1904, č. 96-2 Lujiang Road, Siming District, Xiamen, Čína.













